Инструкция по эксплуатации, руководство пользователя
DC инвертор тепловой насос воздух - вода GreenMarine IAW-10, 12, 15, 16, 18, 20, 24, 28, 32, 42 кВт

Перед использованием, пожалуйста, внимательно и полностью прочитайте руководство пользователя.
1. ОБЩАЯ ИНФОРМАЦИЯ о инвертор тепловой насос воздух - вода.
Установка представляет собой воздушный тепловой насос для отопления помещений и горячего водоснабжения для жилых домов, многоквартирных домов и небольших промышленных помещений. Наружный воздух используется в качестве источника тепла, создавая дополнительную бесплатную энергию для обогрева вашего дома.
2. ОПИСАНИЕ инвертор теплового насоса воздух - вода.
Установка DC инвертор тепловой насос воздух - вода GreenMarine IAW-… представляет собой моноблочный воздушно – водяной тепловой насос, специально разработанный для более холодного климата. Система готова к эксплуатации, нет необходимости в заправке теплового насоса фреоном и обычно система может быть установлена в течении одного дня.
Тепловой насос может эффективно нагревать горячую воду при высокой температуре воздуха, так и обеспечивать высокую производительность системы отопления при низких температурах наружного воздуха. Если температура наружного воздуха снижается до уровня ниже минус 0֯ С (заводская настройка), можно подключить вспомогательный нагреватель, для обеспечения нормальной работы теплового насоса. Устройство также способно охлаждать помещение летом. Контроллер теплового насоса представляет собой интеллектуальную систему.
Линейка производимых инверторных тепловых насосов 10кВт, 12кВт, 15кВт, 18кВт, 20кВт, 24кВт, 28кВт, 32кВт, 42кВт.
Тепловые насосы воздух - вода имеют пять режимов эксплуатации:
- охлаждение
- обогрев
- ГВС
+
= охлаждение + ГВС
+
= обогрев + ГВС
3. УСТАНОВКА инвертор теплового насоса воздух - вода.
3.1 Общие указания для специалиста по установке теплового насоса воздух вода.
3.1.1 Транспортировка и хранение теплового насоса воздух - вода.

Тепловой насос допускается транспортированть и хранить только в вертикальном положении.

3.1.2 Требования установки теплового насоса воздух - вода.
Правила требуют проверки отопительной системы перед ее вводом в эксплуатацию и запуском теплового насоса. Проверка должна проводиться лицом, имеющим соответствующую квалификацию, и должна быть задокументирована. Если тепловой насос заменен даже меняется на другой, необходимо еще раз проверить систему к которой подключается тепловой насос. В случае установки теплового насоса в невентилируемыой (закрытой) системе отопления необходимо соблюдать рекомендации и параметры предохранительного клапана G3 по защите от высокого давления в невентилируемых системах.
Следует отметить, что тепловой насос обеспечивает первую меру защиты от высокого давления и температуры (клапан предохранительный G3). Также должны быть уствновлены предохранительные клапаны давления и защита по температуре на каждый отдельный источник отопления.

3.1.3 Установка теплового насоса.
- Тепловой насос устанавливается и надежно закрепляется на открытом воздухе на прочном основании, предпочтительно на бетонном фундаменте.
- Его не следует размещать рядом с жилыми стенами, например, рядом со спальной комнатой.
- При необходимости используйте виброопоры.
- Также убедитесь, что размещение теплового насоса не доставляет неудобств соседям.
- В режиме охлаждения и режиме разморозки может образоваться количество конденсационной и антиобледенительной воды. Вы должны обеспечить хороший отток и дренаж в зоне установки теплового насоса и убедиться, что вода не вытекает на дорожки или места перемещения людей, т.к. вода при температурах ниже 0 °C образует лед, что может привести к травме.
- Вам необходимо обеспечить подогрев отводящей воду трубки и при необходимости подогрев поддона корпуса теплового насоса.
- В идеале конденсат отводится в дренажную систему или канализацию.
- Расстояние между стеной установки и тепловым насосом должно составлять не менее 350 мм.
- Свободное пространство сверху не менее 1000 мм.
- Свободное пространство спереди теплового насоса не менее 3000 мм.
- Тепловой насос воздух - вода должен устанавливаться таким образом, чтобы воздух не мог повторно циркулировать через устройство, снижая таким образом КПД.
- Необходимо соблюдать осторожность, что бы тепловой насос не поцарапать во время установки.
3.1.4 Контроллер теплового насоса.
Тепловой насос воздух - вода оснащен внешним электронным контроллером, который управляет всеми функциями, необходимыми для работы теплового насоса.
Размораживание, остановка при максимальной / минимальной температуре, подключение нагревателя компрессора, управление циркуляционными насосами, клапаном ГВС, а также включение вспомогательного электронагревателя, контроль защиты двигателя и реле давления - все это контролируется контроллером теплового насоса.
- Также можно прочитать количество запусков и время работы.
- Контроллер настраивается во время установки и может использоваться для сервисного обслуживания.
- При нормальных условиях эксплуатации и правильной настройке контроллера пользователю нет необходимости иметь доступ к тепловому насосы и контроллеру.
- Устройство имеет встроенный электронный датчик температуры теплоносителя на выходе, который ограничивает температуру на выходе до 60 °C и защищает тепловой насос от перегрева.
3.2 Варианты и схемы установки и подключения теплового насоса к системе отопления / охлаждения / горячего водоснабжения.
Инверторный тепловой насос воздух вода может быть установлено несколькими различными способами.
Оборудование безопасности и защиты должно быть установлено в соответствии с действующими правилами для всех вариантов установки теплового насоса.
При подключении теплового насоса к системе отопления или охлаждения общий объем воды в трубопроводной системе теплового насоса и буферном баке должен составлять не менее 10 литров на кВт мощности теплового насоса.
А) Схема подключения теплового насоса - отопление/охлаждение помещения + ГВС

Б) Схема подключения теплового насоса - только режим обогрева / охлаждения помещения

3.3 Подключение трубопроводов к инверторному тепловому насосу воздух - вода
- Рекомендуется использовать трубу диаметром не менее 28 мм, диаметр трубы должен обеспечивать расход теплоносителя для используемой модели теплового насоса.
- Перед подключением теплового насоса нужно убедиться в чистоте подключаемых трубопроводов, если необходимо промыть трубопроводы, чтобы любые загрязнения не повредили составные части или компоненты теплового насоса.
- Направление обратки и подачи нагревательного / охлаждающего теплоносителя, должно быть подключено в соответствии с отмеченными областями на тепловом насосе.
- Все наружные трубы должны быть теплоизолированы изоляцией толщиной не менее 19 мм. Изоляция также должна быть пароустойчивой.
- Циркуляционный насос для воды должен постоянно находиться в исправном состоянии (даже если агрегат не работает), чтобы предотвратить любые возможные повреждения из-за замерзания. Даже в режиме ожидания циркуляционный насос управляется непосредственно с устройства, которое учитывает температуру наружного воздуха и температуру в трубе, чтобы решить, следует ли осуществлять циркуляцию воды в системе.
- Запорные и сливные краны должны быть установлены таким образом, чтобы устройство можно было опорожнить в случае длительных перебоев в подаче электроэнергии.
- Для подключения теплового насоса к системе можно применять гибкие шланги - действуют как виброгасители. Гибкие шланги устанавливаются таким образом, что создается небольшой изгиб, тем самым гасящий вибрацию.
- Важно: Несмотря на то, что устройство имеет защиту от замерзания, в случае выхода из строя циркуляционного насоса или возникновения проблем с электропитанием все равно существует риск повреждения из-за замерзания. Если в месте установки теплового насоса есть возможность снижение температуры окружающей среды менее 0 °C, настоятельно рекомендуется использовать антифриз (этиленгликоль). Если температура воздуха никогда не опускается ниже 0 °C, возможно не использовать гликоль.
- Заморозка теплообменника или трубопроводов и выход деталей теплового насоса из строя при использовании воды или антифриза с недостаточной концентрацией гликоля не является гарантийным случаем, ответственность за поломку теплового насоса несет потребитель!!!
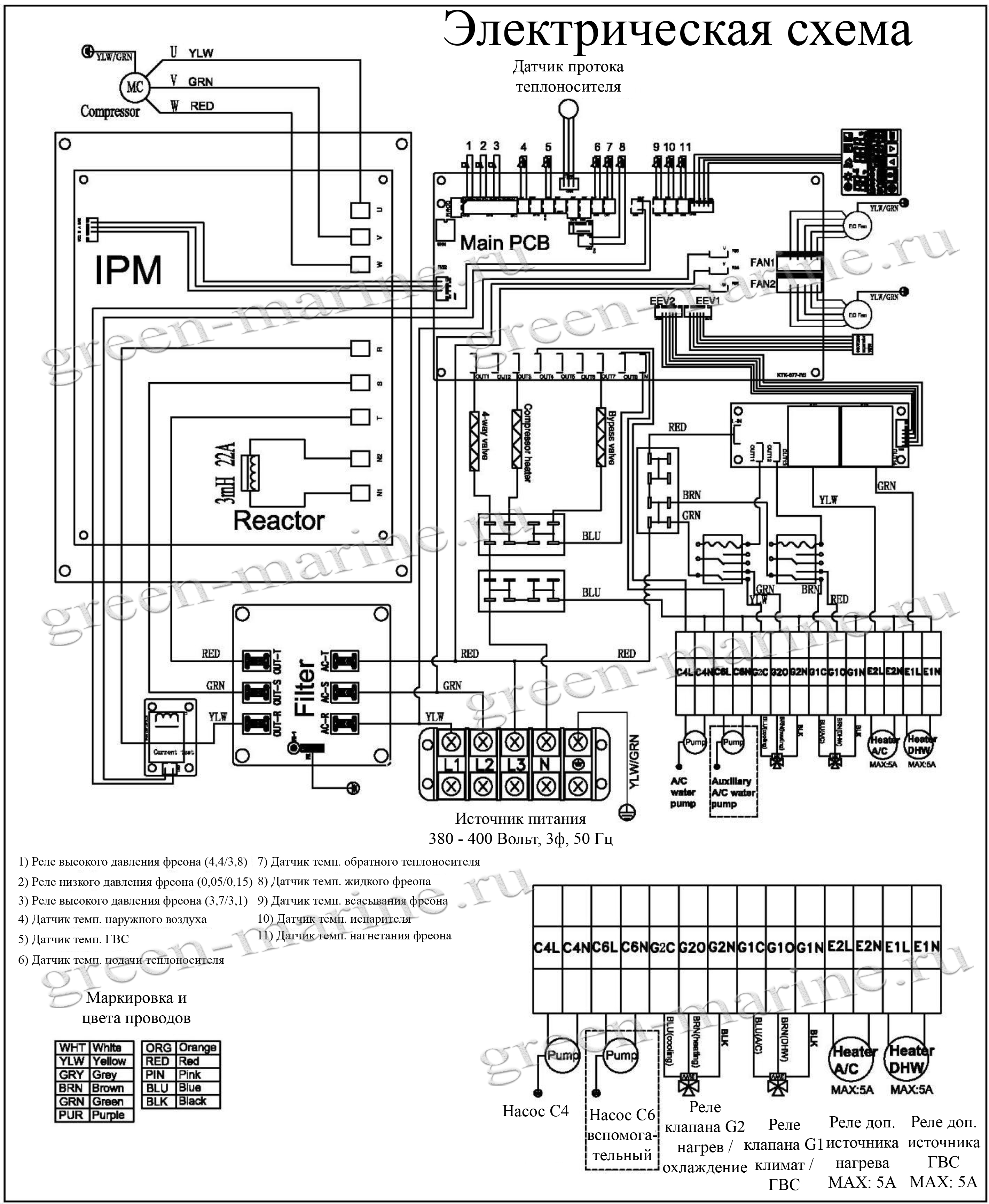
3.4 Электрическое подключение
Электромонтажные работы и сервисное обслуживание должны выполняться под наблюдением квалифицированного электрика. Электромонтажные работы и электропроводка должны выполняться в соответствии с действующими положениями и правилами.
Схема подключения теплового насоса воздух - вода источника питания 220-240 В

Схема подключения теплового насоса воздух - вода источника питания 380-400 В

3.4.1 Доступ в отсек подключения теплового насоса

3.4.2 Важно: на питание каждого теплового насоса необходимо устанавливать отдельный автоматический выключатель.
3.4.3 Функция защиты от замерзания
Функция защиты от замерзания ГВС
Если температура резервуара для воды ГВС опустится ≤4°C (Датчик AN8), система включает функцию защиты от замерзания для горячей воды, запускает режим горячей воды для бытовых нужд и компрессор, когда температура горячей воды составляет 12° C или выше, отключает нагрев для ГВС.
Если компрессор не работает более 30 минут, отключается функция защиты от замерзания.
Функция защиты от замерзания при отоплении
Если температура теплоносителя на обратке в режиме охлаждения (AN 5) или на подаче (AN7) составляет ≤ 4°C, система запускает режим защиты от замерзания при охлаждении, режим охлаждения отключается. Если температура воды на входе поднимется более 12°C или компрессор не работает более 30 минут, отключается функция защиты от замерзания.
3.5 Ввод в эксплуатацию
3.5.1 Подогрев компрессора перед пуском
Перед запуском теплового насоса и вводом в эксплуатацию убедитесь, что нагреватель компрессора уже предварительно прогрелся в течение 3-10 минут.
1) Заправка системы теплоносителем и удаление воздуха:
Наполняйте систему медленно, следя за тем, чтобы выпускные клапаны были открыты (если они не автоматические).
2) Подогреватель компрессора:
Как упоминалось выше, если температура ниже 10°C, важно, чтобы нагреватель компрессора мог нагреть компрессор перед первым запуском. Чтобы убедиться, что это произойдет, пожалуйста, следуйте приведенным ниже инструкциям:
- Убедитесь, что выключен внешний автоматический выключатель - устройство отсоединено от источника питания и его никто не сможет включить (чтобы вы не попали под напряжение).
- Отсоедините силовое соединение компрессора, вспомогательного электронагревателя, циркуляционного насоса. (Из-за защиты от замерзания компрессор, вспомогательный электронагреватель и циркуляционный насос запустятся сразу, если вы их не отключите механически).
- Включите внешний автоматический выключатель - подсоедините устройство к источнику питания.
- Через 3-10 минут выключите внешний изолятор и снова восстановите силовое подключите - питание компрессора, вспомогательного электронагревателя и циркуляционного насоса.
3.5.2 Проверка перед пуском
1) Визуальный и механический осмотр:
- Проверьте корпус и внутреннюю систему трубопроводов на предмет возможных повреждений во время транспортировки.
- Убедитесь, что контур подачи и обратки теплоносителя заполнен и полностью удален воздух. Проверьте систему трубопроводов на наличие утечек. Проверить затяжку резьбовых соединений в отсеке подключения теплового насоса (циркуляционный насос, теплообменник, реле протока и т.д.)
- Проверьте вентилятор, убедившись, что он может свободно перемещаться.
2) Проверка электрической системы:
- Убедитесь, что источник питания (напряжение/частота) соответствует номинальной табличке и спецификации теплового насоса.
- Проверьте все электрические соединения на наличие незакрепленных или поврежденных проводов из-за транспортировки.
3) Осмотр трубопроводов, запорной и резьбовой арматуры, инженерного оборудования:
- Проверьте все клапаны и направление потоков теплоносителя в системе.
- Проверьте, нет ли каких-либо возможных утечек внутри или снаружи теплового насоса.
- Проверьте изоляцию всех труб.
3.5.3 Запуск и ввод в эксплуатацию
- После завершения проверки системы и подогрева компрессора можно начинать запуск.
- Подключите источник питания; включите автоматический выключатель, чтобы включить тепловой насос.
- Циркуляционные насосы запускаются немедленно. Через 30 секунд запускается двигатель вентилятора. Еще через 10 секунд запускается компрессор.
- Сначала из теплоносителя выпускается воздух, и может потребоваться удаление воздуха. Если из теплового насоса, циркуляционного насоса или радиаторов слышны булькающие звуки, всей системе потребуется дополнительное удаление воздуха.
- Проверьте разницу температур на подаче и обратке нагревательной воды после того, как система станет стабильной.
- Проверьте температуру нагнетания и температуру всасывания фреона компрессором.
- Отрегулируйте параметры в соответствии с различными погодными условиями и вашими требованиями пользователя.
4 РУКОВОДСТВО ПО ЭКСПЛУАТАЦИИ КОНТРОЛЛЕРА инверторного теплового насоса воздух - вода.
4.1 Теоретическая часть контроля и программного управления тепловым насосом воздух - вода.
а) Компрессор
- После выключения компрессора минимальный интервал перед следующим запуском составляет 3 минуты;
- Первоначальное "включение питания" не запросит защиты в течение трех минут;
- Во время размораживания интервал включения/выключения компрессора зависит от параметров размораживания.
б) Цикл запуска/ выключения
- Когда тепловой насос включается, циркуляционный насос для теплоносителя и вентилятор включаются за 60 секунд до компрессора;
- Когда тепловой насос выключается, циркуляционный насос теплоносителя выключается через 30 секунд после компрессора. Вентилятор выключается через 5 секунд после включения компрессора;
- Во время размораживания циркуляционный насос для теплоносителя не прекращает свою работу.
в) Вспомогательный электронагреватель ГВС ( контакты E1)
- F08=0, E1 не используется; F08=1, E1 используется, Реле E1 включается, как указано в приведенных ниже условиях:
- Температура окружающей среды = заданное значение (параметр F09, -20°C ~ 30°C, по умолчанию 0°C);
- Время работы компрессора ≥ заданного значения, а температура ГВС не достигла установочной температуры (параметр F10, 10 ~ 30 мин, по умолчанию 15 мин);
- Температура резервуара для воды ГВС < установочная температура;
- При применении защиты от замерзания ГВС E1 включен, если ГВС >15°C E1 выключен.
г) Вспомогательный электронагреватель нагрева (контакты E2):
А:
- F05=0, E2 не используется; F05=1, E2 используется, Реле E2 включается в соответствии с условиями, указанными ниже:
- Тепловой насос работает на обогрев;
- Температура окружающей среды ≤ заданное значение (параметр F06, -20°C ~ 20°C, по умолчанию 0°C);
- Время работы компрессора ≥ 15 минут;
- температура теплоносителя на входе < установочная температуры;
Б:
- При запуске режима оттайки в режиме нагрева, если температура теплоносителя на входе ≤39°C, включается E2. Когда температура на входе >45°C, E2 выключен.
В:
- Во время защиты от замерзания включается вспомогательный электронагреватель E2.
Г:
- При поломке датчика температуры на подаче или обратке включается вспомогательный электронагреватель E2.
Е:
- 3-ходовой клапан G1 в режиме ГВС включен.
- 3-ходовой клапан G1 в режиме ГВС выключен в любом другом режиме.
4.2 Принципы режимов работы теплового насоса воздух вода
1) Режим охлаждения помещения:
Диапазон настройки температуры составляет 10-25°C, заводская настройка: 12°C;
2) Режим обогрева помещения:
Диапазон настройки температуры составляет 10-55°C, заводская настройка: 45°C;
3) Режим горячей воды:
Диапазон настройки температуры составляет 10-60°C (50 ~ 60°C увеличивается с помощью электрического нагревателя), заводская настройка составляет 50°C;
4) Цикл размораживания (оттайки):
Режим автоматической разморозки (обычное размораживание). Все тепловые насосы оснащены интеллектуальными регуляторами размораживания. Перед началом и окончанием размораживания учитывается ряд параметров. Параметры должны быть установлены в соответствии с заводскими настройками или иным образом установлены инженером. Время размораживания будет варьироваться в зависимости от условий, в которых работает тепловой насос. Время между разморозками будет либо увеличиваться, либо сокращаться в зависимости от установленных параметров.
4.3 Управление инвертор теплового насоса воздух - вода GreenMarine IAW-....кВт
4.3.1 LCD экран управления

5 клавиш управления тепловым насосом

4.3.2 Назначение кнопок контроллера теплового насоса воздух - вода
Клавиша SET - проверка, установка и подтверждение параметров
Клавиша Вверх - просмотр вверх или увеличение параметра
Клавиша Вниз - просмотр вниз или уменьшение параметра
Клавиша MODE - изменение / выбор режима работы или таймера
Клавиша включение / выключение теплового насоса или возврат в первоначальное окно
4.4 Управление клавишами
4.4.1 Разблокировать экрана
Когда подсветка экрана выключена - экран заблокирован. Коснитесь любой клавиши - экран разблокируются и загорится подсветка экрана.
4.4.2 Включение / выключение теплового насоса
Коснитесь клавиши
.
4.4.3 Изменение Режимов (обычный тип Теплового насоса имеет 2 Режима, многофункциональный тип Теплового насоса имеет 5 Режимов)
- коснитесь клавишу
несколько раз, значки режима будут мигать и изменять.
- охлаждение
- обогрев
- ГВС
+
= охлаждение + ГВС
+
= обогрев + ГВС
- если выбрано охлаждение или обогрев плюс ГВС, ГВС будет приоритетным. (доступен только многофункциональный тип ТН).
- При выборе режима ГВС работает только ГВС, без охлаждения и обогрева. (доступен только многофункциональный тип ТН)
- стерилизация - это независимый автоматический режим работы, при необходимости изменяйте параметры индивидуально. см.далее
4.4.4 Изменение параметров настройки
- При запуске выбранного режима Тепловой Насос будет работать в соответствии с заводскими значениями по умолчанию или в соответствии с последним установленным значением температуры и режима.
- Установите заданную температуру.
- Коснитесь клавишу
или
, вы увидите заданную целевую температуру
. - Коснитесь клавиши
, выберите режим, который вам нужен для изменения целевой температуры.

- Коснитесь клавишу
или
, что бы изменить целевую температуру.
3. Возможные настройки приведены в таблице:
| п/п | Режим | Диапазон настроек | По умолчанию |
| 1 | Охлаждение | 10°C ~ 25°C | 12°C |
| 2 | Обогрев | 10°C ~ 55°C | 45°C |
| 3 | ГВС | 10°C ~ 60°C | 50°C |
| 4 | Стерилизация | 60°C ~ 70°C | 65°C |
4.4.5 Настройка часов теплового насоса
Нажмите клавишу
в течение 6 секунд, замигает символ часов
.

Коснитесь
или
клавишу, чтобы настроить время.
4.4.6 Настройка таймера теплового насоса
Нажмите клавишу
в течение 6 секунд, замигает значок часов
. Снова нажмите кнопку
на 6 секунд, на экране появится буква S или С.

S: однократное применение; С: циклическое применение;
Коснитесь клавиши
или
, чтобы выбрать "S" или "C", затем нажмите
для настройки временных циклов.
На одни сутки можно настроить три точки изменения цикла работы.

Нажмите клавишу
для выбора дня недели, затем измените данные времени отключения таймера.
Нажмите
или
клавишу, чтобы настроить время работы таймера. Затем выберите режим работы и отрегулируйте заданную температуру. Нажмите
клавишу, ВКЛ. и значок режима будет мигать, нажмите
или
клавишу, чтобы выбрать нужный вам режим. Затем измените заданную температуру, снова коснитесь
клавиши, ON и будет
мигать, нажмите
или
клавишу, чтобы изменить заданную температуру. Коснитесь клавиш
для подтверждения.
За одни сутки можно установить 3 цикла для включения, 3 цикла для выключения. По окончании включения цикла 1 таймер мигает цикл 1 выключится.

Нажмите
или
клавишу, чтобы настроить время таймера, нажмите клавишу
для подтверждения.
Если некоторые точки циклов устанавливать не нужно, нажмите клавишу
для перехода.
Нажимайте клавишу
в течение 6 секунд, значок часов
мигает снова нажмите кнопку
на 6 секунд, на экране появится буква S или С. Нажмите
или
клавишу, чтобы выбрать "S" или "C", затем коснитесь
для подтверждения, и войдите в настройки временных циклов. Нажмите
клавишу, чтобы выбрать точку таймера, которую необходимо отменить. Коснитесь
или
клавишу, чтобы выбрать время --:--, нажмите
клавишу, эта точка таймера будет отменена.
4.4.7 Ночной режим
1) Включен ночной режим или нет, зависит от параметра F21. Если в данных F21 установлено значение 0, это означает "выкл.", 1 означает "вкл.".
Время начала ночного режима определяется данными F22. Время окончания определяется данными F23.
2) В ночном режиме режим горячей воды будет работать с текущей настройкой температуры +3 ° C, отопление помещения будет работать с текущей настройкой -2 °C. Режим охлаждения помещения при текущей настройке +2°C. Наружный вентилятор работает на низкой скорости.
4.4.8 Автоматическая тепловая кривая

A.Автоматическая кривая определяется параметром (F14), положительное значение означает движение вверх, отрицательное значение означает движение вниз.
В. При нагреве максимальная температура тепловой кривой определяется параметром (F13), от 30°C ~ 50°C, по умолчанию 45°C. Когда параметр равен (F13) - 45°C, максимальная целевая температура автоматической кривой составляет 45°C.
4.4.9 Подключение LCD экрана и платы контроллера
LCD экран подключен к плате контроллера теплового насоса компьютерным 4 жильным кабелем CN27. Допустимо удлинение кабеля до 100 метров.
4.5 Защита системы и коды ошибок
При возникновении ошибки, на экране отображается значок
, коснитесь клавиши
, отобразится код ошибки на экране.
Например: E01

| Код ошибки | Значение | Комментарий |
| E01/HP | Срабатывание датчика высокого давления фреона (отключен) | 1. Слишком большой объем фреона. 2. Неисправность детали регулирования терморасширения. 3. Неисправность датчика давления. |
| E02 | Защита от высокого давления фреона | 1. Слишком большой объем фреона. 2. Неисправность детали регулирования терморасширения. 3. Неисправность датчика давления. |
| E03/LP | Срабатывание датчика низкого давления фреона (отключен) | 1. Слишком малый объем фреона. 2. Неисправность детали регулирования терморасширения. 3. Неисправность датчика давления. |
| E04 | Защита от низкого давления фреона | 1. Слишком малый объем фреона. 2. Неисправность детали регулирования терморасширения. 3. Неисправность датчика давления. |
| E05 | Ошибка расхода воды (сторона потребителя) | 1. Слишком маленький объем потока воды. 2. Неисправность датчика расхода воды. |
| E06 | Защита от перегрузки по току | Слишком высокий ток компрессора |
| E08 | Защита от высокой температуры нагнетания фреона | 1. слишком маленький объем хладагента. 2. Неисправность детали регулирования терморасширения. 3. неисправность датчика температуры нагнетания фреона. |
| E09 | Неисправность датчика температуры нагнетания фреона | Обрыв цепи или короткое замыкание датчика температуры |
| Е10 | Ошибка датчика температуры всасывания фреона | Обрыв цепи или короткое замыкание датчика температуры |
| Е11 | Ошибка датчика температуры испарителя | Обрыв цепи или короткое замыкание датчика температуры |
| Е12 | Ошибка датчика температуры наружного воздуха | Обрыв цепи или короткое замыкание датчика температуры |
| E14 | Ошибка датчика температуры воды на обратке | Обрыв цепи или короткое замыкание датчика температуры |
| E15 | Ошибка датчика температуры воды на ГВС | Обрыв цепи или короткое замыкание датчика температуры |
| E16 | Ошибка датчика температуры воды на подаче | Обрыв цепи или короткое замыкание датчика температуры |
| E17/FLO | Ошибка расхода воды (сторона потребителя) | 1.Слишком маленький объем потока воды 2. Неисправность датчика расхода воды |
| E18 | Слишком низкая температура окружающей среды | 1.Слишком низкая температура наружного воздуха 2. Неисправность датчика температуры |
| En | Ошибка связи | Обрыв коммуникационного провода или неисправность платы управления |
| Е20 | Пропущена / Неправильное чередование фаз | Ошибка источника питания |
| E22 | Ошибка пароля | |
| Е23 | Ошибка памяти | Неисправность платы управления |
| E38 | Слишком большая разница температур подачи и обратки (со стороны потребителя) | Разница температур между подачей и обратной слишком высока. Неисправность насоса. Низкая производительность насоса. |
| E84 | Защита от напряжения | Напряжение слишком высокое или слишком низкое, тепловой насос восстановится, когда напряжение будет нормальным (165 ~ 265 Вольт) |
| E85 | Высокое напряжение питающей сети | Напряжение сети более 265 Вольт |
| Е86 | Низкое напряжение питающей сети | Напряжение сети менее 165 Вольт |
| E97 | Слишком высокое напряжение постоянного тока | DC ≥ VDC |
| E98 | Слишком низкое напряжение постоянного тока | DC ≤ VDC |
| E99 | Высокий ток | Ток больше допустимого |
| E100 | Двигатель постоянного тока вышел из строя | Двигатель постоянного тока вышел из строя |
| E101/E102 | Плохой контакт питания компрессора | Неисправность линии подключения компрессора |
| E103/E103 | Ошибка инверторного модуля питания | Неисправен модуль питания инвертора |
| E108 | Ошибка температуры в инверторном модуле питания | Неисправность датчика температуры инверторного модуля питания |
| E111 | Инверторный модуль питания не соответствует компрессору | Неисправен инверторный модуль питания |
| E113/E114 | Ошибка корректора мощности блока питания PFC | Неисправен инверторный модуль питания |
| E116 | Ошибка корректора мощности блока питания PFC перегрузка по току | Неисправен инверторный модуль питания |
| E117 | Аномальное напряжение постоянного тока | |
| E118 | Низкое напряжение питающей сети | Напряжение сети менее 165 Вольт |
4.6 Таблица настраиваемых параметров инвертор теплового насоса воздух - вода GreenMarine IAW-.... кВт
Нажимайте клавишу
в течение 6 секунд, на экране появится Hxx.

Снова нажмите
клавишу в течение 6 секунд, затем введите пароль в окно пароля Hxx.

Нажмите
клавишу, войдите в окно проверки параметров.

Коснитесь
или
клавишу, чтобы проверить параметры
| Код | Наименование параметра | Диапазон настроек | Завод | |
| F00 | Возврат значений параметров к заводским настройкам | 0~255 : 10(возврат) | 0 | |
| F01 | Автоматический перезапуск | 0:нет, 1:да | 1 | |
| F02 | Режимы работы | 0: Только обогрев 1: Охлаждение + обогрев 2: Только охлаждение 3: Авто охлаждение и обогрев 4: ГВС + (охлаждение и обогрев) |
3 | |
| F03 | Гистерезис температуры обогрева/охлаждения | 1~30°C | 2 | |
| F04 | Гистерезис температуры ГВС | 1~30°C | 3 | |
| F05 | Управление вспомогательным нагревателем обогрева (Клеммы Е2) | 0: отсутствует; 1: присутствует | 0 | |
| F06 | Температура окружающей среды для активации нагревателя (Клеммы E2) | -20~30°C | 7°C | |
| F07 | Время задержки активации нагревателя (Клеммы E2) | 1~99 минут | 20 | |
| F08 | Управление вспомогательным нагревателем ГВС (Клеммы Е1) | 0: отсутствует; 1: присутствует | 0 | |
| F09 | Температура окружающей среды для активации нагревателя ГВС (Клеммы E1) | -20~30°C | 7°C | |
| F10 | Время задержки активации нагревателя ГВС (Клеммы E1) | 1~99 минут | 20 | |
| F11 | Режим работы водяного насоса потребителя (Клеммы C4) | 0 (без остановки), 1 (остановка при достижении температуры), 2 (остановка при достижении температуры, далее работает по 1 минуте каждый (F12)минут, проверка темп.) |
0 | |
| F12 | Режим водяного насоса (F11=2) интервал времени | 1~99 минут | 15 | |
| F13 | Автоматическая температурная кривая максимальная температура | 30~50°C | 45°C | |
| F14 | Значение смещения автоматической температурной кривой | -15~15°C | 0°C | |
| F15 | Автоматический сброс ошибки | 0: не сбрасывается; 1~255 минут | 30 | |
| F16 | Температура стерилизации | 40~80°C | 65°C | |
| F17 | Интервал стерилизации | 0:стерилизации отстствует; 1~99 дней | 10 | |
| F21 | Использование работы в ночном режиме (ночной режим: увеличение ГВС на 3°C, уменьшение температуры обогрева на 2°C | 0: отсутствует; 1: присутствует | 0 | |
| F22 | Время начала ночного режима | 0-23(часы) | 21 | |
| F23 | Время окончания ночного режима | 0-23(часы) | 6 | |
| F24 | Соотношение мощности компрессора и частоты вращения двигателя для ночного режима |
0-100% | 80% | |
| F30 | Интервал времени оттайки | 10~200 минут | 50 | |
| F31 | Время оттайки (действие оттайки длится максимальное время, при превышении этого значения оттайка прекратится) | 5~20 минут | 8 | |
| F32 | Температура испарителя для активной оттайки | -30~15°C | -5°C | |
| F33 | Температура испарителя для остановки активной оттайки | 10~35°C | 25°C | |
| F34 | Температура окружающей среды для активного оттаивания | 0~55°C | 15°C | |
| F35 | Разница между температурой окружающей среды и испарителем для активного оттаивания (температура окружающей среды ниже -7°C) | 0~25°C | 8°C | |
| F36 | Разница между температурой окружающей среды и испарителем для активного оттаивания (-7°C ≤Температура окружающей среды ≤3°C) |
0~25°C | 6°C | |
| F37 | Температура нагнетаемого фреона компрессора (выше заданной, она защитит) | 90~130°C | 115°C | |
| F38 | Ток защиты компрессора | 3-35A | 12A | |
| F39 | Тест защиты компрессора по току | 0: нет теста ;1: тест | 0 | |
| F40 | Ограничение частоты тока | 0 | ||
| F42 | Температура окружающей среды для активации нагревателя компрессора | -20~30°C | 7°C | |
| F43 | Максимальная температура воды потребителя на выходе для остановки компрессора | 30~100°C | 75°C | |
| F44 | Минимальная температура воды потребителя на выходе для остановки компрессора | -40~35°C | 3°C | |
| F45 | Использование защиты от превышении разницы температур меду обраткой и подачей потребителя | 0: no stop; 1~25 °C:stop | ||
| F47 | Слишком низкая температура воды на выходе (сторона источника) | |||
| F48 | Использование защиты от превышении разницы температур меду обраткой и подачей со стороны источника | 0: no stop; 1~25 °C:stop | ||
| F53 | Температура окружающей среды для остановки теплового насоса | -40~40°C | -40°C | |
| F54 | Максимальная температура обогрева | 25~100°C | 55°C | |
| F55 | Минимальная температура охлаждения | 3~25°C | 10°C | |
| F56 | Максимальная температура ГВС | 0~80°C | 50°C | |
| F58 | Частота вращения двигателя EC (80 = максимальная скорость X 80%; 0=максимальная скорость Х 40%) |
0-10 | 80 | |
| F59 | Число компрессоров в ТН | 0-255 | 0 | |
| F60 | Максимальная частота компрессора (охлаждение) | 20-100 | 70 | |
| F61 | Максимальная частота компрессора (обогрев) | 20-100 | 75 | |
| F62 | Максимальная частота компрессора (ГВС) | 20-100 | 75 | |
| F63 | Минимальная частота компрессора (охлаждение) | 20-50 | 30 | |
| F64 | Минимальная частота компрессора (обогрев) | 20-50 | 30 | |
| F65 | Частота оттайки | 20-100 | 60 | |
| F67 | Разница температур для остановки клапана ЭРВ (обогрев) | -20~20°C только для изготовителя | 2°C | |
| F68 | Разница температур для остановки клапана ЭРВ (охлаждение) | -20~20°C только для изготовителя | 2°C | |
| F69 | Hежим управления ЭРВ | 0~15 | 12 | |
| F70 | Минимальный шаг/2 ЭРВ | 0~100 | 35 | |
| F71 | Режим охлаждения и температура окружающей среды=5°C, ЭРВ шаги | 15~250 | 100 | |
| F72 | Режим охлаждения и температура окружающей среды=15°C, ЭРВ шаги | 15~250 | 140 | |
| F73 | Режим охлаждения и температура окружающей среды=25°C, ЭРВ шаги | 15~250 | 160 | |
| F74 | Режим охлаждения и температура окружающей среды=35°C, ЭРВ шаги | 15~250 | 180 | |
| F75 | Количество шагов ЭРВ для корректировки | 0~10 | 2 | |
| F76 | Режим обогрева и температура окружающей среды=0°C, ЭРВ шаги | 15~250 | 100 | |
| F77 | Режим обогрева и температура окружающей среды=10°C, ЭРВ шаги | 15~250 | 140 | |
| F78 | Режим обогрева и температура окружающей среды=20°C, ЭРВ шаги | 15~250 | 160 | |
| F79 | Режим обогрева и температура окружающей среды=30°C, ЭРВ шаги | 15~250 | 180 | |
| F80 | Количество шагов ЭРВ для корректировки | 0~10 | 2 | |
| F84 | Настройка рабочей частоты | 0-20(0:тест режим; 1:фикс. частота; 2:Авто частота) |
2 | |
| F85 | Работает с фиксированной частотой (только для заводских испытаний) | 20~120Гц | 50Гц | |
| F86 | Резонансная частота (высокая) | 0~100 | 0 | |
| F87 | Резонансная частота (низкая) | 0~100 | 0 | |
| F92 | Тип датчика протока воды со стороны источника | 0: датчик протока; 1:DN15 расходомер; 2:DN20 расходомер; 3:DN25 расходомер; |
3 | |
| F93 | Минимальный расход воды при использовании расходомера | 1 - 200 л/мин | 12 л/мин |
В случае отсутствия параметров в приведенной таблице просим связаться.
3.6 Проверка параметров (только список проверяемых параметров).
Нажмите клавишу
в течение 6 секунд, она покажет Hxx, чтобы проверить параметры
Нажмите
или
клавишу, чтобы проверить другой параметр.
| No | Наименование параметра | Диапазон / значение | |
| H00 | Температура обратной воды потребителя | -40~97°C | |
| H01 | Температура подающей воды потребителя | -40~97°C | |
| H02 | ГВС температура | -40~97°C | |
| H03 | Наружная температура | -40~97°C | |
| H04 | Температура воздуха в помещении | -40~97°C | Не используется |
| H05 | Температура нагнетания фреона компрессора | 5~128°C | |
| H06 | Температура всасывания фреона | -40~97°C | |
| H07 | Температура испарителя | -40~97°C | |
| H08 | Температура жидкого фреона | -40~97°C | |
| H09 | Температура на входе EVI | -40~97°C | Не используется |
| H10 | Температура на выходе EVI | -40~97°C | Не используется |
| H11 | Температура источника воды на входе | -40~97°C | Не используется |
| H12 | Температура источника воды на выходе | -40~97°C | Не используется |
| H13 | Температура инверторного модуля питания | -40~97°C | |
| H14 | Температура солнечной коллектора | 40~97°C | Не используется |
| H15 | Рабочая чатота | 0-100 Гц | |
| H16 | Сила тока потребляемая компрессором | ||
| H17 | ЭРВ количество шагов/2 | ||
| H18 | EVI ЭРВ количество шагов/2 | Не используется | |
| H19 | Расход воды | л/мин | |
| H20 | Значение низкого давления | мПа | Не используется |
| Н21 | Значение высокого давления | мПа | Не используется |
| H22 | EC motor 1 обороты | RPM | Не используется |
| H23 | EC motor 2 обороты | RPM | Не используется |
| H24 | |||
| H25 | Текущий код остановки компрессора | ||
| H26 | Код остановки компрессора в последний раз | ||
| H27 | Код остановки компрессора перед последним кодом остановки | ||
| Н28 | Код остановки компрессора перед трехкратным кодом остановки | ||
| H29 | Совокупное время работы компрессора (максимум 3 отрезка) | ||
| H30 | Совокупное время работы компрессор (минимум 3 отрезка) | ||
| H31 | Время оттайки | ||
| H32 | Код платы управления | ||
| H33 | Программное обеспечение код | ||
| H34 | Программное обеспечение версия | ||
| H35 | Программный код проводного контроллера | ||
| H36 | Программные обеспечение версия проводного контроллера | ||
| H37 | Адрес | ||
| H38 | Интервал оттайки | ||
| H39 | Время оттайки | ||
| H40 | Температура испарителя для активации оттайки | ||
| Н41 | Температура испарителя для прекращения оттайки | ||
| H42 | Температура наружной среды для активации оттайки | ||
| H43 | Разница температур наружной среды и испарителя для активации режима оттайки при наружной температуре -7°C | ||
| Н44 | Разница температур наружной среды и испарителя для активации режима оттайки при -7°C ≤ наружная температура ≤3°C | ||
| H45 | Автоматическая кривая применение | ||
| Н46 | Автоматическая кривая максимальное значение температуры | ||
| Н47 | Автоматическая кривая значение смещения кривой | ||
| Н48 | Функционал работы | ||
| H49 | Максимальная температура обогрева | ||
| Н50 | Минимальная температура охлаждения | ||
| H51 | ГВС максимальная температура | ||
| H52 | Максимальная температура компрессора | ||
| H53 | Использование дополнительного подогрева контакты E2 | ||
| Н54 | Использование дополнительного подогрева ГВС контакты E1 | ||
| H55 | Режим работы водяного насоса контакты С4 | ||
| Н56 | Интервал работы водяного насоса контакты С4 | ||
| Н57 | Автоматический перезапуск | ||
| Н58 | Гистерезис температуры обогрев | ||
| H59 | Гистерезис температуры ГВС | ||
| H60 | Наружная температура активации дополнительного подогрева контакты E2 | ||
| Н61 | Наружная температура активации дополнительного подогрева ГВС контакты E1 | ||
| Н62 | Использование ночного режима | ||
| Н63 | Ночной режим время активации | ||
| Н64 | Ночной режим время окончания | ||
| Н65 | Соотношение мощности компрессора и частоты вращения двигателя для ночного режима | ||
| H66 | Проверка работы переключателя термостата | ||
| Н67 | Текущая температура нагрева на входе |
5 ТЕХНИЧЕСКИЕ ХАРАКТЕРИСТИКИ
5.1 Деталировка - внутренний вид
8, 10, 12, 15 кВт

| № поз. | Наименование позиции | № поз. | Наименование позиции |
| 1 | Задняя решетка (временно не компл.) | 11 | Крышка электрического ящика |
| 2 | Задняя панель | 12 | Радиатор инверторного модуля питания |
| 3 | 4-ходовой клапан | 13 | Съемная панель для обслуживания |
| 4 | Пластинчатый теплообменник | 14 | Пластиковая ручка |
| 5 | Циркуляционный насос | 15 | Передняя крышка |
| 6 | Сервисный клапан | 16 | Решетка вентилятора |
| 7 | Правая боковая панель | 17 | Двигатель вентилятора |
| 8 | Базовая панель | 18 | Радиатор испаритель / конденсатор |
| 9 | Компрессор | 19 | Кронштейн двигателя вентилятора |
| 10 | Электрический ящик в сборе | 20 | Верхняя крышка |
16, 18, 20, 24, 28 кВт

| № поз. | Наименование позиции | № поз. | Наименование позиции |
| 1 | Задняя решетка (временно не компл.) | 12 | Радиатор инверторного модуля питания |
| 2 | Задняя панель | 13 | Съемная панель для обслуживания |
| 3 | 4-ходовой клапан | 14 | Пластиковая ручка |
| 4 | Пластинчатый теплообменник | 15 | Передняя крышка |
| 5 | Циркуляционный насос | 16 | Решетки вентиляторов |
| 6 | Сервисный клапан | 17 | Пластиковые лопасные вентиляторы |
| 7 | Правая боковая панель | 18 | Двигатели вентиляторов |
| 8 | Базовая панель | 19 | Радиатор испаритель / конденсатор |
| 9 | Компрессор | 20 | Кронштейн двигателя вентилятора |
| 10 | Электрический ящик в сборе | 21 | Верхняя крышка |
| 11 | Крышка электрического ящика |
5.3 Размеры (мм)
Габаритные и присоединительные размеры см. в карточке требуемого теплового насоса.
6 Техническое обслуживание инверторного теплового насоса воздух - вода
6.1 Техническое обслуживание и очистка для пользователя
Рекомендуется регулярно проверять ваш тепловой насос. Техническое обслуживание следует проводить не реже одного раза в год, чтобы продлить срок службы вашего теплового насоса.
1. Регулярно очищайте угловые сетчатые фильтры теплоносителя каждые 6 месяцев, чтобы убедиться в чистоте системы и избежать ее засорения.
2. Тепловой насос должен содержаться в чистоте (без листьев или грязи), а перед устройством или позади него не должно быть никаких препятствий. Хорошая вентиляция и регулярная очистка испарителя (3-6 месяцев) помогут поддерживать эффективность теплового насоса.
3. Убедитесь, что устройство имеет питание зимой, независимо от того, используется оно или нет.
4. Проверьте блок питания и электрическую систему каждые 6 месяцев.
5. Проверяйте, что система водоснабжения, предохранительные клапаны и воздухоотводчики работают должным образом, чтобы не поступал воздух в систему, вызывая снижение циркуляции.
6. Проверяйте правильность работы циркуляционных насосов. Убедитесь, что водопровод и фитинги не протекают.
7. Очищайте испаритель немедленно от любого мусора.
8. Проверьте правильность работы различных компонентов устройства. Проверьте соединения труб, клапанов, компрессора, испарителя и конденсатора фреоновой системы, на отсутствие следов масла, чтобы убедиться в отсутствии утечки хладагента.
9. Химически промывайте пластинчатый теплообменник каждые 3 года.
10. При необходимости проверьте содержание газообразного хладагента.
11. Проверьте дельту (вход / выход теплоносителя), чтобы убедиться, что она соответствует рекомендациям дельты 3-7°C.
7 Как получить Максимальную Отдачу от Вашего Теплового Насоса воздух - вода GreenMarine IAW-.... кВт
Важно понимать, что вы должны управлять тепловыми насосами иначе, чем обычными системами отопления, такими как газовые, твердотопливные или электрические котлы. Ниже приведены некоторые моменты, о которых вы должны знать:
- Поскольку тепловые насосы производят нагрев теплоносителя до более низкой температуре (чем газовые, эл. котлы), важно помнить, что время прогрева вашего помещения происходит медленнее.
- Чем более низкую температуру создает тепловой насос, тем он эффективнее - COP выше.
- Чем выше температура окружающей среды (наружная температура), тем эффективнее тепловой насос - COP выше.
- Тепловой насос выполняет простую работу, а именно поддерживает в буферной емкости и в бойлере ГВС температуру.
- Хорошей идеей будет позволить вашему тепловому насосу поддерживать температуру в бойлере ГВС для воды 24 часа в сутки в течение зимы. Это позволит вашему тепловому насосу в любое время обеспечить подачу тепла в дом (т.к. ГВС имеет приоритет).
Летом вы можете установить таймер на контроллере теплового насоса в соответствии с вашими потребностями в горячей воде.
Имея в виду вышесказанное, вы могли бы выбрать одно из следующих:
Вариант 1.
Вы можете решить использовать свой тепловой насос в дневное время (когда температура выше). В то же время вы могли бы установить более низкую температуру воды. Это в основном заряжает ваш дом в течение дня, так что вечером в доме тепло, а тепловой насос просто поддерживает тепло. Это не контролируется контроллером теплового насоса, это контролируется вашим контроллером центрального отопления.
Вариант 2.
Вы могли бы управлять своим контроллером центрального отопления аналогично обычному котлу. Вы должны установить программу по крайней мере за 1 час до того, как вам понадобится, чтобы в вашем доме было тепло. Недостатком этого является то, что вам, возможно, потребуется установить более высокую температуру теплоносителя, вырабатываемой тепловым насосом..
Вариант 3.
Вы могли бы решить использовать в своем доме теплые полы отопление (самое экономичное отопление). Это означает, что вы всегда (24 часов в день), добавляете немного тепла в ваш дом. Во всех случаях рекомендуется поддерживать минимальную температуру в вашем доме (например, от 14°C до 16°C) даже в течение вашего отсутствия. Это контролируется вашим контроллером центрального отопления.
Не существует правильного или неправильного способа управления вашим тепловым насосом. Мы не можем сказать вам, какой способ его эксплуатации наиболее эффективен, поскольку каждый дом индивидуален. Что мы можем сказать, так это то, что вам следует искать наилучший способ обогрева вашего дома, соответствующий вашему образу жизни. В настоящее время с помощью недорогих мониторов энергопотребления вы можете легко найти наиболее экономичный способ обогрева вашего дома. Мы надеемся, что вам понравится ваш тепловой насос.
Важное примечание для антифриза, чтобы избежать поломки теплового насоса.
1. Реле расхода воды ДОЛЖЕН быть установлен во время монтажа на стороне кондиционирования воздуха теплового насоса, чтобы обеспечить надлежащий расход воды.
2. Фильтр для теплоносителя ДОЛЖЕН быть установлен до того, как теплоноситель поступит в ПЛАСТИНЧАТЫЙ ТЕПЛООБМЕННИК. Фильтр для теплоносителя необходимо чистить не реже полугода.
3. Необходимо использовать достаточное количество рассола (гликоля) - теплоносителя в системе отопления в холодном помещении. Если температура воздуха ниже -0 ℃, в целях безопасности вы должны использовать рассол (гликоль) в качестве теплоносителя в системе теплоснабжения и ГВС теплового насоса вместо чистой воды.
4. НЕОБХОДИМО всегда подключать источник питания, даже если вы не используете тепловые насосы. Наш тепловой насос имеет функцию антизаморозки, если к нему подключено электричество. Поэтому, если отсутствует гликоль (жидкость-антифриз) и зимой электричество случайно отключается более чем на 30 минут, вам необходимо слить всю внутреннюю воду, чтобы защитить тепловой насос от замерзания.
Мы оставляем за собой права на изменение наших продуктов для улучшения их качества без предварительного уведомления!
